
0.9° 39系列二相混合式步進電機的技術參數General Specification
項目Item | 規格Specifications |
步距角精度Step Angle Accuracy | ± 5% (full step, no load) |
電阻精度Resistance Accuracy | ± 10% |
電感精度Inductance Accuracy | ± 20% |
溫升Temperature Rise | 80°C Max. (rated current, 2 phase on) |
環境溫度Ambient Temperature | - 10°C ~ +50°C |
絕緣等級Insulation Class | B |
介電強度Dielectric Strength | 500 VAC for one minute |
型號 Model No. | 電壓 Rated Voltage | 電流 Current | 電阻 Resistance | 電感 Inductance | 最大靜力矩Holding Torque | 引出線 # of Leads | 轉動慣量Rotor Inertia | 重量Weight | 機身長度Length |
V | A | W | mH | Kg-cm | g-cm2 | Kg | mm | ||
39BYG9004 | 6 | 0.6 | 10 | 15 | 1.2 | 4 | 19.5 | 0.16 | 26 |
39BYG9104 | 4 | 0.5 | 8 | 9.5 | 0.8 | 4 | 12 | 0.11 | 20 |
39BYG9403 | 12 | 0.4 | 30 | 60 | 1.6 | 4 | 25 | 0.2 | 35 |
39BYG9703 | 9 | 0.6 | 15 | 26 | 2.2 | 4 | 43 | 0.28 | 46 |
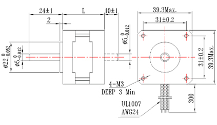
0.9° 39系列二相混合式步進電機的機械尺寸Dimensions(Unit=mm)

0.9° 39系列二相混合式步進電機的繞線圖Wiring Diagram



立即咨詢