
1.8° 39系列二相/四相混合式步進電機的技術參數General Specification
項目Item | 規格Specifications |
步距角精度Step Angle Accuracy | ± 5% (full step, no load) |
電阻精度Resistance Accuracy | ± 10% |
電感精度Inductance Accuracy | ± 20% |
溫升Temperature Rise | 80°C Max. (rated current, 2 phase on) |
環境溫度Ambient Temperature | - 10°C ~ +50°C |
絕緣等級Insulation Class | B |
介電強度Dielectric Strength | 500 VAC for one minute |
型號 Model No. | 電壓 Rated Voltage | 電流 Current | 電阻 Resistance | 電感 Inductance | 最大靜力矩Holding Torque | 引出線 # of Leads | 轉動慣量Rotor Inertia | 重量Weight | 機身長度Length |
V | A | W | mH | Kg-cm | g-cm2 | Kg | mm | ||
39BYG108 | 3.63 | 0.55 | 6.6 | 7.5 | 0.8 | 4 | 11 | 0.11 | 20 |
39BYG313 | 3.36 | 0.8 | 4.2 | 3 | 1.1 | 6 | 18 | 0.16 | 32 |
39BYG404 | 14 | 0.4 | 35 | 40 | 2.2 | 4 | 23 | 0.2 | 35 |
39BYG507 | 4.0 | 1.0 | 4.0 | 7.0 | 2.5 | 4 | 28 | 0.22 | 38 |
39BYG701 | 11 | 0.5 | 22 | 27 | 2.8 | 4 | 38 | 0.28 | 46 |
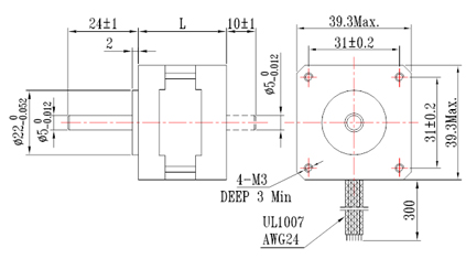
1.8° 39系列二相/四相混合式步進電機的機械尺寸Dimensions(Unit=mm)

1.8° 39系列二相/四相混合式步進電機的繞線圖Wiring Diagram



立即咨詢