
PM 42永磁直流減速步進電機的技術參數General Specification
項目Item | 規格Specifications |
步距角精度Step Angle Accuracy | ± 10% (full step, no load) |
電阻精度Resistance Accuracy | ± 10% |
電感精度Inductance Accuracy | ± 20% |
溫升Temperature Rise | 80°C Max. (rated current, 2 phase on) |
環境溫度Ambient Temperature | - 10°C ~ +50°C |
絕緣等級Insulation Class | B |
介電強度Dielectric Strength | 500 VAC for one minute |
PM 42永磁直流減速步進電機的技術規格 Technique Specifications
型號 Model No. | 驅動方式 Drive Mode | 電壓 Rated Voltage | 電流 Current | 電阻 Resistance | 最大靜力矩Holding Torque | 引出線 # of Leads | 重量 Weight | 機身長度Length |
V | A | W | Kg-cm | Kg | mm | |||
42BY48L15 | 4-2 | 12 | 0.24 | 50 | 0.45 | 6 | 0.1 | 15 |
42BY48L20 | 2-2 | 6.5 | 1.0 | 6.5 | 1.1 | 4 | 0.13 | 22 |
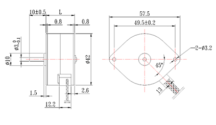
PM 42永磁直流減速步進電機的機械尺寸Dimensions(Unit=mm)

PM 42永磁直流減速步進電機的繞線圖Wiring Diagram

立即咨詢